直真視通打造江西移動遠程教育系統(tǒng)
2003/09/12
一、 項目背景
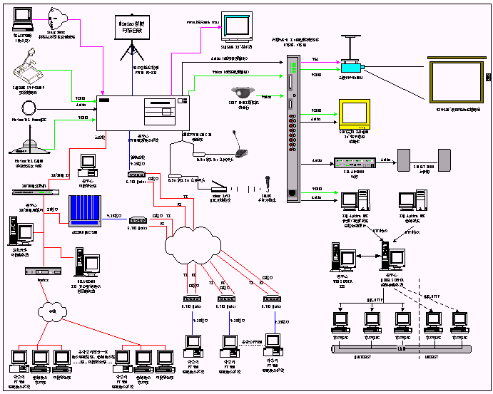
(點擊放大)
直真視通公司供稿 CTI論壇編輯
| 北京直真視通參展2009多媒體視訊展示會 2009-06-22 |
| 直真視通助力北京政府防控H1N1流感病毒 2009-05-26 |
| 直真視通公司提前四個月完成營業(yè)額過億目標 2006-09-19 |
| 吉林郵政電視會議室 2003-12-09 |
| 上海市閔行區(qū)人民政府視頻會議系統(tǒng) 2003-12-02 |